





RF0013A
Фреза дисковая пазовая БЕЛМАШ 125х32х6 мм (3202-0187) RF0013A
Нет в наличии
86.00 руб
Акционная цена может отличаться при покупке в рассрочку, по картам рассрочек, доставке и для юридических лиц. Цены в розничных магазинах могут отличаться, уточняйте у консультанта.
Срок действия заказа - 2 дня с момента совершения заказа. Возможность резерва товара на более длительный срок уточняйте по телефону.
Наши товары можно приобрести с отсрочкой платежа:
- от 2-х до 8-ми месяцев - по картам расрочки «Халва», «Карта покупок», «СМАРТ карта», «Черепаха», «КартаFUN», «Магнит»
- на 3 месяца - в рассрочку (от 200р)
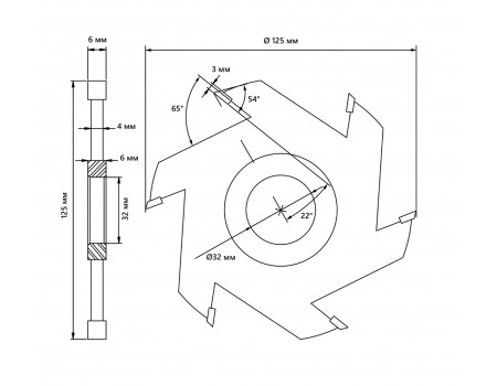
Фреза пазовая (дисковая) BELMASH 125×32×6 мм применяется для выработки прямоугольных пазов, выборке четвертей и фрезеровании вдоль волокон в заготовках из древесины различных пород. Может быть использована на деревообрабатывающих станках БЕЛМАШ СДМ-2000, СДМ-2200, СДМ-2500, СДМП-2200, УНИВЕРСАЛ-2500Е, CBS-2400.
Рекомендации при установке/замене:
• Отключите машину от питающей сети.
• Соблюдайте правильную ориентацию режущих зубьев.
• Производите необходимые действия в защитных перчатках для предотвращения травм.
• Используйте оснастку, рекомендованную производителем оборудования.
Фреза соответствует параметрам Технического регламента Таможенного Союза 010/2011 «О безопасности машин и оборудования».
Для установки фрезы на вал, с меньшим посадочным диаметром, используйте проставочные кольца.
Общие параметры
- Диаметр дисковой фрезы, мм
- 125
- Количество зубьев, шт
- 4
- Посадочный диаметр дисковой фрезы, мм
- 32
- Применение
- БЕЛМАШ СДМП-2200, БЕЛМАШ УНИВЕРСАЛ-2500E, БЕЛМАШ CBS-2400, БЕЛМАШ СДМ-2500М, БЕЛМАШ СДМ-2500ПРО, БЕЛМАШ СДМ-2200М, БЕЛМАШ СДМР-2500, БЕЛМАШ СДМ-2000М
- Тип фрезы
- Пазовая
- Ширина зубьев, мм
- 6
| Фреза дисковая | 1 |
| Кольцо переходное 32/30 мм | 1 |























Отзывы0
Отзывы с оценкой